Warning: include(top_H.php): failed to open stream: No such file or directory in /u1/www/autex/html/sensor/gltest/gt400.php on line 4

Warning: include(): Failed opening 'top_H.php' for inclusion (include_path='.:/u1/www/autex/html/') in /u1/www/autex/html/sensor/gltest/gt400.php on line 4
ГлобалТест Датчик акустический GT400. ГлобалТест
GT400. Датчик акустический. ГлобалТест Назначение:
Регистрация и преобразование в электрический сигнал энергии упругих механических волн, распространяющихся от места зарождения и развития дефекта в металлоконструкции.
Техническая диагностика с использованием пассивного ультразвука.

Особенности:
Герметичная конструкция.
Трансформаторный выход.
Автономное тестирование.

Купить:

(812) 252-01-40
(812) 252-18-18

   
GT400. Датчик акустический. Амплитудно-частотная характеристика. ГлобалТест Амплитудно-частотная характеристика
Тип   Полосовой
Коэффициент электроакустического преобразования дБ отн. 1В/м/с > 45
Рабочая частота кГц 120
Полоса пропускания кГц 50 - 250
Электрическая ёмкость пФ 700…8002
Сопротивление изоляции МОм > 1002
Температурный диапазон oC до + 4003
Материал корпуса   Нержавеющая сталь
Длина встроенного кабеля м 51
Масса (без кабеля) г 250
Тип соединителя   2РМД18КПН4Г5В1
1 - определяется по требованию заказчика;
2 - для канала тестирования;
3 - температура объекта контроля при допустимой температуре датчика в зоне А не более 200oC.
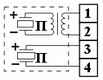
GT400. Датчик акустический. ГлобалТест GT400. Датчик акустический. Электрическая схема. ГлобалТест
Электрическая схема

Warning: include(bottom_F.php): failed to open stream: No such file or directory in /u1/www/autex/html/sensor/gltest/gt400.php on line 97

Warning: include(): Failed opening 'bottom_F.php' for inclusion (include_path='.:/u1/www/autex/html/') in /u1/www/autex/html/sensor/gltest/gt400.php on line 97