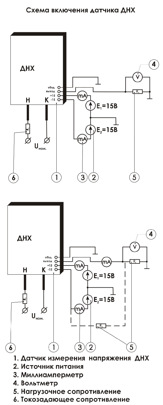
| Основные технические характеристики:
|
| Характеристика |
ДНХ |
| Диапазон измеряемых напряжений, В |
50...600 |
| Входной номинальный ток, Iном, мА |
10 |
| Выходной сигнал датчика, мА * |
40 |
| Основная приведенная погрешность, не более, % |
1 |
| Нелинейность выходной характеристики, не более, % |
0,1 |
| Начальный выходной ток при нулевом измеряемом напряжении, мА |
0,2 |
| Пробивное напряжение между измеряемой и измерительной цепями, не менее, кВ |
4 |
| Напряжение питания, В |
±15 |
| Ток потребления по цепи питания, не более, мА |
50 |
| Габаритные размеры, мм |
73,5х52,5х39 |
| Масса, г |
100 |